2021 电路与电子技术(盐城师范学院)1463168443 最新满分章节测试答案
- 第一周 电路的基本概念与元件的伏安特性 第一周 单元测验
- 【作业】第一周 电路的基本概念与元件的伏安特性 第一周 单元作业
- 第二周 电路定律及电路的分析方法 第二周 单元测验
- 【作业】第二周 电路定律及电路的分析方法 第二周 单元作业
- 第四周 交流稳态电路分析 第四周单元测验
- 第五周 复杂交流电路的分析及功率因素 第五周 单元测验
- 第六周 供电与用电 第六周 单元测验
- 第七周 电路的瞬态分析 第六周 单元测验
- 第九周 半导体器件基础与二极管电路 第八周 单元测验
- 第十周 基本放大电路的分析 第九周 单元测验
- 第十三周 基本放大电路的类型及应用 第九周 单元测验
- 第十六周 集成运算放大器 第十六周 单元测验
- 第四周 电路的瞬态分析 第六周 单元测验
- 第九周 基本放大电路的分析 第九周 单元测验
- 第九周 基本放大电路的类型及应用 第九周 单元测验
本答案对应课程为:点我自动跳转查看
本课程起止时间为:2021-01-29到2021-07-31
本篇答案更新状态:已完结
第一周 电路的基本概念与元件的伏安特性 第一周 单元测验
1、 问题:通常电路中的耗能元件是指
选项:
A:电阻元件
B:电感元件
C:电容元件
D:电源元件
答案: 【电阻元件】
2、 问题:电阻元件的性能有
选项:
A:储能性
B:耗能性
C:惯性
D:记忆性
答案: 【耗能性】
3、 问题:一个电热器从220V的电源吸取1000W的功率,若将此电热器接到110V的电源上,则吸收的功率为
选项:
A:2000W
B:1000W
C:500W
D:250W
答案: 【250W】
4、 问题:220V、40W白炽灯正常发光( ),消耗的电能为1KW·h。
选项:
A:25h
B:40h
C:20h
D:45h
答案: 【25h】
5、 问题:某电阻元件的额定数据为“1KΩ、2.5W”,正常使用时允许流过的最大电流为( )
选项:
A:250mA
B:125mA
C:50mA
D:2.5mA
答案: 【50mA】
6、 问题:图所示电路中,I、U、E的参考方向已经给![]()
选项:
A:U=E+IR
B:U=E-IR
C:U=-E+IR
D:U=-E-IR
答案: 【U=E+IR】
7、 问题:电感元件的特性有
选项:
A:耗能性
B:储能性
C:记忆性
D:无记忆性
答案: 【储能性;
记忆性】
8、 问题:直流电路中,有电压的元件一定有电流。
选项:
A:正确
B:错误
答案: 【错误】
9、 问题:当负载开路时,流过负载的电流为0,负载两端的电压也为0
选项:
A:正确
B:错误
答案: 【错误】
10、 问题:电流的参考方向与电压的实际方向相同时,称之为关联参考方向
选项:
A:正确
B:错误
答案: 【错误】
分析:【电流的参考方向与电压的参考方向相同时,称之为关联参考方向】
11、 问题:电路中吸收正功率的元件相当于 ,发出正功率的元件相当于 。
答案: 【电源,负载】
【作业】第一周 电路的基本概念与元件的伏安特性 第一周 单元作业
1、 问题:一个额定值为220V、10KW的电阻炉可否接到220V、30KW的电源上使用?如果把它接到220V、5KW的电源上,情况如何?
评分规则: 【 第一问能使用,5分写出理由 10分第二问 15分
】
2、 问题:在题图E1—5所示电路中,已知:I=2A,E1=48 V,R01=R02=0.5Ω,R1=6Ω,R2=5Ω。求E2的大小和方向,并说明在这个电路中哪个电源是吸收功率的,哪个电源是输出功率的。
评分规则: 【 1、E2的大小 10分2、E2的方向 4分3、指出吸引功率 8分4、指出输出功率 8分
】
3、 问题:在题图E1-18所示电路中(点画线圆内的元件是晶体管),已知:Rc=3kΩ,RE=1.5kΩ,IB=40μA,Ic=1.6mA,求IE,和UCE和C点的电位Vc。
评分规则: 【 1、求出IE 13分2、求出UCE 13分3、求出VC 14分
】
第二周 电路定律及电路的分析方法 第二周 单元测验
1、 问题:戴维宁定理计算电阻R为7Ω时的电流I 为()。![]()
选项:
A:2.25A
B:1.28A
C:1.55A
D:1.76A
答案: 【1.76A】
2、 问题:必须设立电路参考点后才能求解电路的方法是()
选项:
A:结点电压法
B:回路电流法
C:支路电流法
D:叠加原理
答案: 【结点电压法】
3、 问题:下图所示单口网络的开路电压Uoc为( )。![]()
选项:
A:0V
B:10V
C:-10V
D:50V
答案: 【10V 】
4、 问题:下图所示为部分电路,N为含源网络,则电流I为()。![]()
选项:
A:3A
B:-3A
C:-4A
D:4A
答案: 【-3A】
5、 问题:n个节点,b条支路,用支路电流法求解时可以列出相互独立的KVL方程的数量是()。
选项:
A:n个
B:(n-1)个
C:(b-n)个
D:(b-n+1)个
答案: 【(b-n+1)个】
6、 问题:下图所示端口网络的戴维宁等效电路是()。![]()
选项:
A:![]()
B:![]()
C:![]()
D:![]()
答案: 【
】
7、 问题:列写KCL方程时,如果采用代数和等于零的形式,那么我们可以自己规定流入电流取正,也可定义流出电流取正。
选项:
A:正确
B:错误
答案: 【正确】
8、 问题:在电源使用中,电压源不能短路,电流源不能断路。
选项:
A:正确
B:错误
答案: 【正确】
9、 问题:在一定条件下,理想电压源可以由理想电流源等效代换。
选项:
A:正确
B:错误
答案: 【错误】
10、 问题:叠加定理可以求解电路中的电压和电流,也可求解电路中的功率。
选项:
A:正确
B:错误
答案: 【错误】
11、 问题:基尔霍夫电流定律描述的是同一 的各支路电流关系,而基尔霍夫电压定律则用来确定回路中各支路 之间的关系。
答案: 【结点 电压】
12、 问题:如果电路中某条支路电流为正值,则该电流的实际方向与其 相同;如果两方向相反,则该电流必为 值。
答案: 【参考 负】
13、 问题:描述电阻元件电压与电流之间关系的定律是 。
答案: 【欧姆定律】
14、 问题:下图所示电路,用叠加定理计算电压 U= V。![]()
答案: 【8.1】
【作业】第二周 电路定律及电路的分析方法 第二周 单元作业
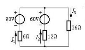
1、 问题:如电路图所示,试应用叠加原理,求电路中的电流I1、I2及36Ω电阻消耗的电功率P。
本文章不含期末不含主观题!!
本文章不含期末不含主观题!!
支付后可长期查看
有疑问请添加客服QQ 2356025045反馈
如遇卡顿看不了请换个浏览器即可打开
请看清楚了再购买哦,电子资源购买后不支持退款哦

